Technological Package of the Ship Modernization
Company: Sevmash
Industry: Shipbuilding
Project Description
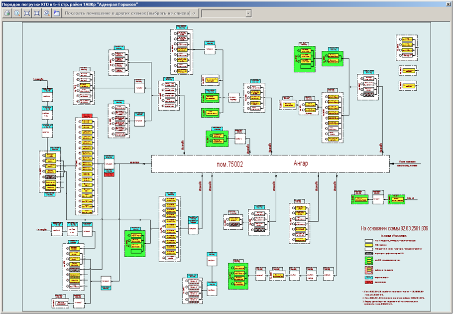
The project provides technological package of tools for organizing the work to modernize the heavy aircraft cruiser into a full featured aircraft carrier.
Initially, T-FLEX CAD application was used to develop the three-dimensional layout of the ship, including all areas of the aircraft carrier and technological cuts (more than 400). As a basis for the layout the flat outline drawings of the decks and cross-sections of the aircraft carrier were used. Further, based on the T-FLEX CAD API and its geometric and mathematical tools various add-on applications were developed. These applications allowed to seriously reduce manual labor and increase the speed and quality of design.
With the help of T FLEX CAD API, 6 different variations of the ship assembly layouts were examined and the best was chosen. Earlier, these operations would have to be done manually, which would require about 2.5 months of work and due to complexity of the study only one variation would be possible to examine.



